PRODUCT

RF 개발 전문회사로,
레이더 및 RF 통신 시스템 사업을 진행하고 있습니다.

페이지 정보

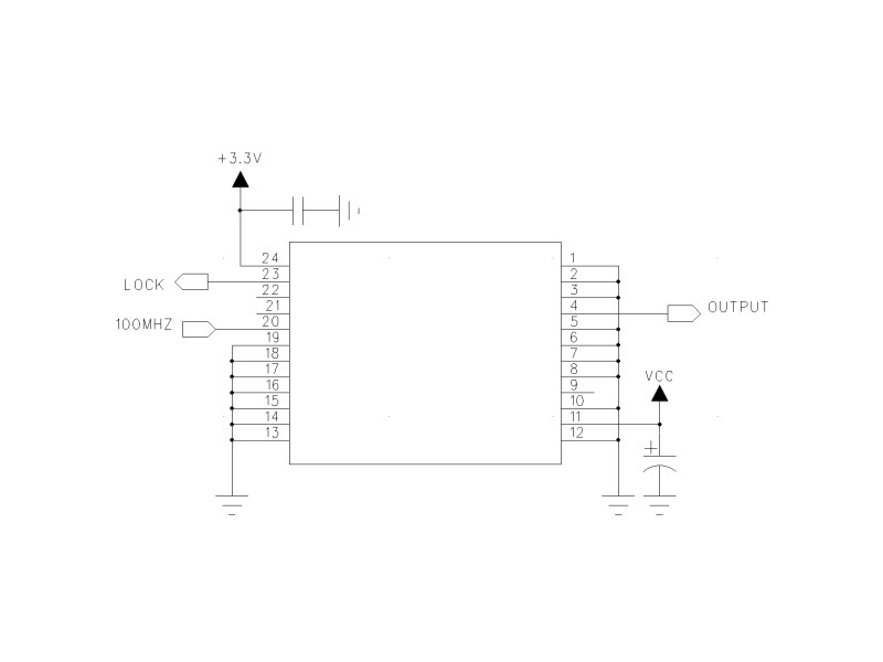
SGPL-6950-6950-RB

PLL SGPL-6950-6950-RB

  • Features
  • Low phase noise
  • Internal CPU
  • Applications
  • Base station
  • Satellite Communications
ParametersUnitSpecification
Output FrequencyGHz6.95
Output PowerdBm0
Output ImpedanceOhm50
Supply Voltage(Vcc1)VDC5.5
Supply CurrentmA150
SpuriousmA-70
HarmonicsmA-20
Phase noisedBc/Hz100Hz-78
1KHz-97
10KHz-105
100KHz-107
1MHz-120
Locked AlarmTTL Low
Reference FrequencyMHz100
Reference PowerdBm5
Frequency StabilityppmSame as ref
Operating Temperature-35 to +50
Storage Temperature-40 to +85
(주)시그젠구루
대표자 : 김영진 사업자등록번호 : 279-88-00128 대표전화 : 031-743-8086 FAX : 031-789-6875 E-Mail : sg@sgguru.co.kr
주소 : 경기도 성남시 중원구 사기막골로 99, 성남센트럴비즈타워 2차 A동 1509호
Copyright © 2021 시그젠구루. All rights reserved.
Designed By ADS&SOFT.